場效應管微變等效電路畫圖方法-KIA MOS管
信息來源:本站 日期:2021-07-26
微變等效電路是當電路中某一部分用其等效電路代替之后,未被代替的部分電壓和電流均不發生變化,也就是說電壓和電流不變的部分只是等效部分以外的電路,下面我們來看看它的畫圖方法。
第一種方法叫首尾相接法,如果是全都是首尾相連就一定是串聯,如果是首首相連,尾尾相接,就一定是并聯。如果是既有首尾相連,又有首首相連,則一定是混聯。
第二種方法叫電流流向法,根據電流的流向,來判斷和串并聯的特點,來判斷串聯、并聯和混聯電路。
第三種方法,叫手捂法,含義是任意去掉一個用電器,其他用電器都不能工作的一定是串聯;任意去掉一個用電器,其他用電器都能工作就一定是并聯;任意去掉一個用電器,其他用電器部分能工作的一定是混聯。
第四種方法,叫節點法
⑴ 標出等勢點。依次找出各個等勢點,并從高電勢點到低電勢點順次標清各等勢點字母。
⑵ 捏合等勢點畫草圖。即把幾個電勢相同的等勢點拉到一起,合為一點,然后假想提起該點“抖動”一下,以理順從該點向下一個節點電流方向相同的電阻,這樣逐點依次畫出草圖。
畫圖時要注意標出在每個等勢點處電流“兵分幾路”及與下一個節點的聯接關系。
⑶ 整理電路圖。要注意等勢點、電阻序號與原圖一一對應,整理后的等效電路圖力求規范,以便計算。
怎樣畫微變等效電路?
利用放大電路的交流通路或微變等效電路,不僅可以計算放大電路的各種動態參數,而且便于判斷放大電路的組態和反饋極性。
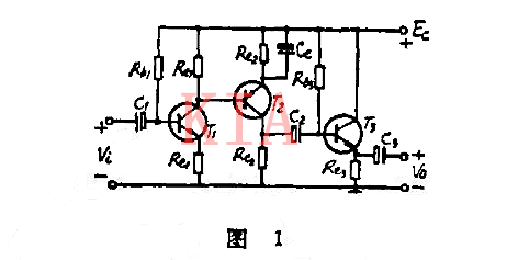
下面通過一個具體電路說明多級放大電路交流通路和微變等效電路的畫法。電路如圖1所示。
由于交流通路是針對變化量而言的,因此在畫交流通路時應遵守以下原則:
1.視獨立直流電源為零值,即圖1中Ee取零值;
2.視耦合電容和旁路電容短路,但在討論放大電路低頻特性時不能視為短路,而應予以保留。
畫放大電路的交流通路,應按一定的次序進行,做到既準確又迅速。
具體步驟如下:
1.先畫晶體管。
輸入電極畫在左邊,輸出電極畫在右邊,余下那個電極畫在中間,從左到右依次進行,例如圖2 所示電路。顯然,中間那個電極反映了放大電路的組態,即若發射極公用,那么就是共射組態。
因此,若問放大電路屬于何種組態,只需找出放大管的輸入、輸出電極,便可斷定。按不同組態輸出輸入信號間的相位關系判斷反饋極性,是非常方便的。
2.對晶體管逐極添入電路元件,便得到交流通路。例如,圖1所示放大電路的交流通路,如圖3 所示。
用低頻簡化h參數等效電路代替交流通路中的晶體管,即電極b、e 之間用電阻ro,代替,電極c、e 之間用流源BI,代替,并使流源BIo的方向與Io的方向相一致(若I流向射極,則BIo亦應流向射極),便可得到放大電路的低頻微變等效電路。
例如,圖1所示放大電路的低頻微變等效電路如圖4 所示。
同理,用簡化x 等效電路代替晶體管,便可得到放大電路的高頻微變等效電路。放大電路的低頻特性和中頻特性,采用低頻等效電路分析較為方便,而高頻特性則應采用高頻等效電路進行分析。
聯系方式:鄒先生
聯系電話:0755-83888366-8022
手機:18123972950
QQ:2880195519
聯系地址:深圳市福田區車公廟天安數碼城天吉大廈CD座5C1
請搜微信公眾號:“KIA半導體”或掃一掃下圖“關注”官方微信公眾號
請“關注”官方微信公眾號:提供 MOS管 技術幫助

