開關電源的主要電路是由輸入電磁干擾濾波器(EMI)、整流濾波電路、功率變換電...開關電源的主要電路是由輸入電磁干擾濾波器(EMI)、整流濾波電路、功率變換電路、PWM控制器電路、輸出整流濾波電路組成。IC根據輸出電壓和電流時刻調整著⑥腳鋸形...
目前,曾經適用化的全控型晶體管大致有這么幾大類:BJT、FET、IGBT,GTO(Gatc T...目前,曾經適用化的全控型晶體管大致有這么幾大類:BJT、FET、IGBT,GTO(Gatc Turn-Off Thyristor,可關斷晶閘管)、1GCT (Integrated Gatc-Com-mutated Thyristor...
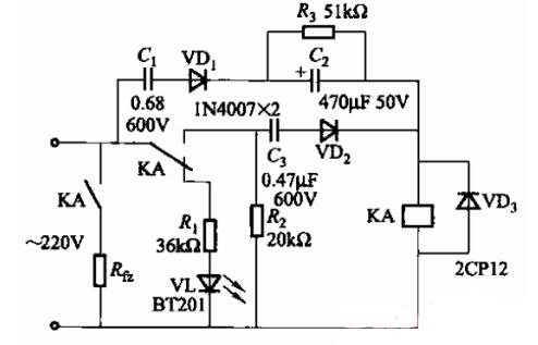
流電源電壓正常時,繼電器吸合,接通負載(Rfz)回路。當負載發生短路故障時,...流電源電壓正常時,繼電器吸合,接通負載(Rfz)回路。當負載發生短路故障時,KA兩端電壓迅速下降,KA釋放,切斷負載回路。同時,發光二極管VL點亮,指示電路發生...
深圳市可易亞半導體科技有限公司(簡稱KIA半導體)是一家專業從事中大功率場效...深圳市可易亞半導體科技有限公司(簡稱KIA半導體)是一家專業從事中大功率場效應管(MOSFET)、快速恢復二極管、三端穩壓管開發設計,集研發、生產和銷售為一體的國...
MOSFET管是FET的一種(另一種是JFET),可以被制造成增強型或耗盡型,P溝道或N...MOSFET管是FET的一種(另一種是JFET),可以被制造成增強型或耗盡型,P溝道或N溝道共4種類型,但實際應用的只有增強型的N溝道MOS管型號和增強型的P溝道MOS管型號,...
MOS管的英文全稱叫MOSFET(Metal Oxide Semiconductor Field Effect Transistor...MOS管的英文全稱叫MOSFET(Metal Oxide Semiconductor Field Effect Transistor),即金屬氧化物半導體型場效應管,屬于場效應晶體管中的絕緣柵型。因此,MOS管有時被稱...