雙場效應管振蕩電路圖,場效應管電路圖,各種雙場效應管振蕩電路圖晶體管振蕩線...雙場效應管振蕩電路圖,場效應管電路圖,各種雙場效應管振蕩電路圖晶體管振蕩線路,都可以用場效應管構成,可以根據振蕩原理導出用場效應管參數表示的振蕩條
電子元件是組成電子產品的基礎,了解常用的電子元件的種類、結構、性能并能正確...電子元件是組成電子產品的基礎,了解常用的電子元件的種類、結構、性能并能正確選用是學習、掌握電子技術的基本。常用的電子元件有:電阻、電容、電感、電位器、變...
場效應管做開關電路圖,N溝道場效應管電路圖,MOSFET一直是大多數開關電源(SM...場效應管做開關電路圖,N溝道場效應管電路圖,MOSFET一直是大多數開關電源(SMPS)選擇的晶體管技術。MOSFET用作主開關晶體管,并用作門控整流器來提高效率。本設...
to220封裝引腳 、to-220的封裝 、to220有什么用、TO-220全包(即塑封)和半包(...to220封裝引腳 、to-220的封裝 、to220有什么用、TO-220全包(即塑封)和半包(即鐵封)產品可以滿足大功率二極管、三極管、MOS管和小規模IC的使用需求,采用帶散熱...
三端穩壓管接線圖,輸出電流小于或等于1A。三端穩壓管接線說明-三端穩壓管是一...三端穩壓管接線圖,輸出電流小于或等于1A。三端穩壓管接線說明-三端穩壓管是一種直到臨界反向擊穿電壓前都具有很高電阻的半導體器件。穩壓管在反向擊穿時,在一定...
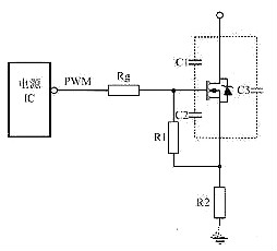
pwm控制mos芯片、pwm控制mos開關、1.用低端電壓和PWM驅動高端MOS管。2,用小幅...pwm控制mos芯片、pwm控制mos開關、1.用低端電壓和PWM驅動高端MOS管。2,用小幅度的PWM信號驅動高gate電壓需求的MOS管。3,gate電壓的峰值限制4,輸入和輸出的電流...