隨著技術的發展,功放保護電路在社會里面的應用會越來越廣泛,將會為大家講解一...隨著技術的發展,功放保護電路在社會里面的應用會越來越廣泛,將會為大家講解一下功放保護電路的內容。下面的內容主要分析了功放保護電路與功放保護電路的檢測。 ...
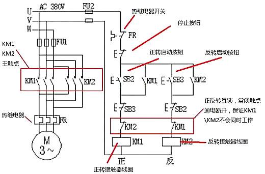
電動機正反轉,看似只是一張簡單的電路圖,但其實里面包含了多種電工常用知識。...電動機正反轉,看似只是一張簡單的電路圖,但其實里面包含了多種電工常用知識。因此這張圖常常當作電工入門教學之用,或者說,此圖是許多電工的啟蒙教材。七彩教育...
KIA35P10A P溝道 MOSFET -35A /-100V TO-252封裝最新規格書 自行提供mos管定制...KIA35P10A P溝道 MOSFET -35A /-100V TO-252封裝最新規格書 自行提供mos管定制.是一家專業從事中、大、功率場效應管(MOSFET)、快恢復二極管、三端穩壓器開發設...
電子設備中有各種各樣的圖。能夠說明它們工作原理的是電原理圖,簡稱電路圖。電...電子設備中有各種各樣的圖。能夠說明它們工作原理的是電原理圖,簡稱電路圖。電路圖有兩種,一種是說明模擬電子電路工作原理的。它用各種圖形符號表示電阻器、電容...
1000W逆變器電路圖 這個機器,BT是12V,也可以是24V,12V時我的目標是800...1000W逆變器電路圖 這個機器,BT是12V,也可以是24V,12V時我的目標是800W,力爭1000W,整體結構是學習了鐘工的3000W機器,也是下面一個大散熱板,上面是一塊...
十一、傳統多諧振蕩蕩魚機 十、自激式魚機 九、反激式自控魚機 八、自激式魚...十一、傳統多諧振蕩蕩魚機 十、自激式魚機 九、反激式自控魚機 八、自激式魚機 七、自激式魚機 六、自激式魚機 五、自激式電逆變器電路 四、變壓器推動推式...