正激式、反激式直流開關電源原理詳解-KIA MOS管
信息來源:本站 日期:2021-12-08
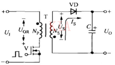
電路結構:
Ui是直流輸入電壓,Uo為直流輸出變壓,T為高頻變壓器,Np為一次繞組,Ns為二次繞組,V為功率開關管MOSFET,VD為輸出二極管,C為輸出濾波電容。
工作原理:
a) 功率開關管導通時儲存能量
在PWM信號的正半周時V導通,一次側有電流Ip流過,將能量儲存在一次繞組中。此時二次繞組的輸出電壓極性是上端為負,下端為正,使VD截止,沒有輸出。
b) 功率開關管關斷時傳輸能量
在PWM信號的負半周時V截止,一次側沒有電流流過,根據電磁感應的原理,此時在一次繞組上會產生感應電壓Uor,使二次繞組產生電壓Us,其極性上端為正,下端為負,因此VD導通,經電容C整流濾波后獲得輸出電壓。
由于開關頻率很高,輸出電壓基本維持恒定,實現穩(wěn)壓目的。
注意事項:
反射式DC/DC變換器不能在輸出整流二極管與濾波電容之間串聯低頻濾波電感(小磁珠電感除外,其電感僅為幾個微亨,是專門抑制高頻干擾的),否則將無法正常工作。
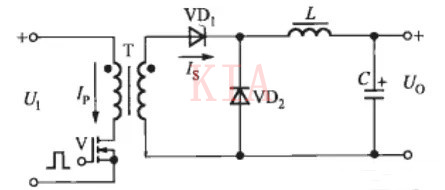
二、正激式直流開關電源
電路結構:
Ui是直流輸入電壓,Uo為直流輸出變壓,T為高頻變壓器,V為功率開關管MOSFET,VD1為輸出整流二極管,VD2為續(xù)流二極管,L為具有儲能作用的濾波電感,C為輸出濾波電容。
工作原理:
a) 功率開關管導通時,能量傳遞至次級
在PWM信號的正半周時V導通,一次側有電流Ip流過,能量傳遞至次級。次級二極管VD1導通,有電流Is流過。此時除向負載供電外,還有一部分電能儲存在L和C中,VD2此時是截止狀態(tài)。
b) 功率開關管關斷時,電感能量放出維持負載供電
在PWM信號的負半周時V截止,二極管VD1截止,VD2導通,儲存在電感L中的電能經過由VD2構成的回路向給電容充電,電容給負載供電,達到維持輸出電壓不變的效果。
注意事項:
正激式變換器必須在輸出整流二極管與濾波電容之間串聯濾波電感,該濾波電感還起到儲能作用。
聯系方式:鄒先生
聯系電話:0755-83888366-8022
手機:18123972950
QQ:2880195519
聯系地址:深圳市福田區(qū)車公廟天安數碼城天吉大廈CD座5C1
請搜微信公眾號:“KIA半導體”或掃一掃下圖“關注”官方微信公眾號
請“關注”官方微信公眾號:提供 MOS管 技術幫助
免責聲明:本網站部分文章或圖片來源其它出處,如有侵權,請聯系刪除。
